HGY互感器特性綜合測試儀是專門為繼電器保護專業試驗電流互感器伏安特性、變比測試及極性判別而設計,還可作變壓器極性判別測試,是一臺性能價格比,比較高的多功能試驗儀器。
本儀器采用低耗材料和特殊繞法的升壓器,微處理器進行數據采集、分析和存儲,內置微型打印機可打印測試數據和曲線,測CT變比時,可自動計算出變比值。一人操作即完成全部測試工作。本機具有重量輕、攜帶、操作方便。其性能獨特,是目前的儀器。
一、HGY互感器特性綜合測試儀技術參數
1、輸入電壓:交流220V或380V,50HZ,自動識別輸入電壓。
2、工作環境溫度:0~40℃
3、輸出電壓:
輸入交流220V時,輸出0~550V;
輸入交流380V時,輸出0~1000V。
電流:zui大瞬時電流測變比時為240A。
伏安特性測試時為1。
4、數字電壓表測量范圍:0~999.9V;分辨率:0.1V。
作電流顯示時:0~999.9mA;分辨率:0.1mA。
5、數字電流表測量范圍:0~1(240A),分辨率:0.01A。
6、誤差:I≤3%,U≤3%。
7、測CT變比時,可自動計算變比值,并打印數據和計算結果。
8、測伏安特性時,存儲并打印20組電流電壓值和伏安特性曲線。
9、外型尺寸:長×寬×高=470×340×260mm3
10、重量:21kg。
二、HGY互感器特性綜合測試儀面板圖示(圖一)及說明
圖一
1——電壓采集輸入端,連接交流輸出遠端。
2——交流電流輸出,連接CT二次側。
3——輸出保險(1)。
4——輸出開關。
5——升壓調節。
6——四位液晶屏幕電壓顯示(V)[兼變比測試之CT二次側電流顯示(mA)]
7——四位液晶屏幕電流顯示(A)[兼變比測試之CT一次側電流顯示(×10A)]。
8——打印機。
9——數據復位按鍵。
10——存貯數據按鍵。
11——打印按鍵。
12——復位指示燈。
13——存貯指示燈。
14——變比電流輸出連接CT一次側。
15——變比電流輸入連接CT二次側。
16——伏安特性試驗與變比測試轉換開關。
17——極性判別輸入連接CT二次側。
18——極性判別輸出連接CT一次側。
. 19——極性判別電流顯示表,不測試時為零位。
20——極性判別通斷按鍵按一下既接通,松開既關閉。
21——整機接地插座。
22——直流保險(1A)。
23——電源插座。
24——整機電源開關。
(注:上述說明之1-13為伏安特性試驗功能。)
三、HGY互感器特性綜合測試儀使用方法
(一)、伏安特性試驗:
接線如下圖所示(圖二):
1、使用者根據被測試設備的伏安特性適當選擇輸入電壓,當需要輸出380V以上電壓時,應輸入380V電壓。
2、將儀器可靠接地。
3、檢查電流互感器無接地點。
4、將開關“16"撥至伏安檔。
5、儀器輸出和電壓測量接至電流互感器二側(如圖二所示)。
6、檢查調壓器是否歸零,打開“24"開關,按一下復位鍵,其上方的指示燈亮,此時微處理器處于等待存儲狀態。
7、接通輸出開關,緩慢順時針轉動調壓器,需存儲時按一下存儲鍵,存儲鍵上方指示燈亮,內部蜂鳴器響。(注:每次測量的全過程不允許回調調壓器,調到大電流時的停留時間要盡量短。)
. 8、zui多可存儲20組電流、電壓值。
9、存儲完畢后調壓器調零。
10、按一下打印鍵可將測試數據和伏安特性點陣圖打印出來。
電分三個量程,量程選擇為自動方式,根據采樣電壓zui大值自動選擇某一量程。
① 0—190V 每格代表12.5V
② 200V—499V 每格代表25V
③ 500V—1000V 每格代表50V
電流軸分兩個量程,量程選擇為自動方式,根據采樣電流zui大值自動選擇某一量程。
① 0—7A 每格代表0.25
② 7A—1 每格代表0.
11、按一下復位鍵復位后,可重復測試。
12、試驗完畢,斷開“4"開關和“24"開關,拔出連接線。
(二)、變比測試:
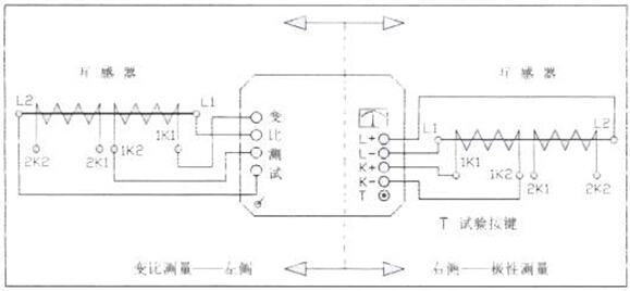
接線如下圖(左側)所示(圖三):
圖三
1、將開關“16"拔至變比檔。
2、電源輸入為220V。
3、將旋鈕“5"旋至零位,打開開關“24"后,開關“4"打開,緩慢轉動旋鈕“5",使表頭“7"顯示一電流值I0(A)(注:此電流實際讀數應擴大10倍),同時表頭“6"有一對應電流值Ii(mA),待顯示穩定后,按一下儲存鍵“10",存儲數據。將旋鈕“5"旋至零位,按“11"鍵打印變比數據和計算結果。關斷開關“4"。
4、測試完畢,斷開電源。拔出連接線。
5、說明:
① 每次只能做一組變比測試,并計算,需重復變比測試時,將開關“16"往前復位后再撥回變比即可重復變比測試。本機變比測試時自動限時半分鐘左右。
② 變比的計算結果約為整數“×××"也即“×××比1",用戶根據自己的CT換算或“×××比5"等。
③ 變比二次顯示值為999.9mA,若超量程使用,自動計算結果將不正確。
(三)、極性判別:
接線如圖三右側所示:
1、用一對測試線連接被測互感器的一次側和面板上的L+、L-插座。
2、用另一對測試線連接被測互感器的二次側和面板上的K+、 K-插座。
3、瞬時按一下試驗按鍵“20"(按鍵的時間要短,否則會縮短儀器的使用壽命),若面板上表頭瞬間正偏(即右偏),則被測互感器的一次側接L+的端頭和二次側接K+的端頭為同極性端;反之為非同極性端。(按鍵斷開瞬間的批針指向與按鍵接通瞬間相反,這是正常現象。)
4、測試完畢,斷開電源,拔出連接線。
5、變壓器的極性判別可參照此方法測試。
四、HGY互感器特性綜合測試儀注意事項
1、電流互感器二次線圈不應有接地點。
2、調壓器開關及輸出開關在斷開位置方可接線和拆線。
3、試驗前本裝置應可靠接地。